Bouw van de voeding
Forumregels
Dit is het forum voor het project "zelfbouw spectrum analyzer". Leden van de projectgroep hebben een extra subforum, maar daar worden geen technische zaken in besproken. Er kunnen geen leden meer toegelaten worden. Om die reden is alle informatie nu voor iedereen beschikbaar en kun je printen e.d. bestellen in de "Project winkel"
Dit is het forum voor het project "zelfbouw spectrum analyzer". Leden van de projectgroep hebben een extra subforum, maar daar worden geen technische zaken in besproken. Er kunnen geen leden meer toegelaten worden. Om die reden is alle informatie nu voor iedereen beschikbaar en kun je printen e.d. bestellen in de "Project winkel"
- Tjalling PE1RQM
- Forum beheerder

- Berichten: 1091
- Lid geworden op: 09 feb 2007, 22:13
- Roepletters: PE1RQM
- Locatie: Leusden
- Contacteer:
Bouw van de voeding
Bouw van de voeding:
Benodigde transformator: 15V, minimaal 1,5A.
De spanning van de transformator mag niet te laag wezen. Veel hoger moet je ook niet gaan, omdat er anders erg veel vermogen wordt gedissipeerd in de 7805. Zorg hoe dan ook voor voldoende koeling van de 7812 en 7805! Een koelblok of plaat is noodzakelijk. Meet na het bouwen alle uitgangsspanningen na. Deze mogen niet teveel afwijken. Vooral de 24V uitgang verdient aandacht. Daaraan kun je zien of de MC34063 het wel doet. Wijkt de spanning meer dan 0,5V af, dan moet je aandacht gaan geven aan deze "Integrated Switch" of alles daaromheen. Vergeet niet het filter te plaatsen op deze 24V uitgang (zie modificaties).
"De LM79L12 en LM79L05 hebben een verkeerde voet print en moeten een kwart slag gedraaid worden op de groene printlayout. In het schema staan ze wel goed. Zie ook de foto's."
_____________________________________________________________________________________________
Op dit bericht kunnen jullie reageren, als jullie vragen hebben, of je bouwsel willen tonen van deze module, de voeding voor de spectrum analyzer.
Alle foto's zijn welkom!
Even wat aandachtspunten:
- Er zitten verschillende 220uF condensatoren in, let op de spanningswaarden.
- De kleine spanningsregelaars iets gedraaid plaatsen (zie foto bijlage). De printopdruk doet anders vermoeden, maar dat is fout!
- Schema's en foto's staan hier: http://www.hamforum.nl/viewtopic.php?f=36&t=818
- De gelijkrichter onderop de print wordt redelijk warm. De dikke elko's aan de andere kant zou je om die reden iets zwevend boven de print kunnen plaatsen. Hij gaat er echt niet kapot van, maar voor de levensduur wellicht verstandig.
- Er is een modificatie toegevoegd in de vorm van een LC filter aan de uitgang. Deze kun je zwevend monteren, of op een eigen gemaakt (experimenteer)printje of uitgesneden koperplaat.
- De grote spanningsregelaars moeten absoluut aan een koelplaat bevestigd worden voor je gaat testen!
Opmerking voor mensen met een onderdelen pakketje: Kijk in de componentenlijst (waar ook de schema's staan). Je hebt alleen de onderdelen ontvangen waar "FOD" achter staat. Voor de rest moet je zelf zorgen, of vragen in de "projectgroep winkel".
(de weerstand en de LED op TP9 zijn niet noodzakelijk)
Succes allemaal, binnenkort zal ik ook beginnen met bouwen en dan komen er wel weer foto's!
Benodigde transformator: 15V, minimaal 1,5A.
De spanning van de transformator mag niet te laag wezen. Veel hoger moet je ook niet gaan, omdat er anders erg veel vermogen wordt gedissipeerd in de 7805. Zorg hoe dan ook voor voldoende koeling van de 7812 en 7805! Een koelblok of plaat is noodzakelijk. Meet na het bouwen alle uitgangsspanningen na. Deze mogen niet teveel afwijken. Vooral de 24V uitgang verdient aandacht. Daaraan kun je zien of de MC34063 het wel doet. Wijkt de spanning meer dan 0,5V af, dan moet je aandacht gaan geven aan deze "Integrated Switch" of alles daaromheen. Vergeet niet het filter te plaatsen op deze 24V uitgang (zie modificaties).
"De LM79L12 en LM79L05 hebben een verkeerde voet print en moeten een kwart slag gedraaid worden op de groene printlayout. In het schema staan ze wel goed. Zie ook de foto's."
_____________________________________________________________________________________________
Op dit bericht kunnen jullie reageren, als jullie vragen hebben, of je bouwsel willen tonen van deze module, de voeding voor de spectrum analyzer.
Alle foto's zijn welkom!
Even wat aandachtspunten:
- Er zitten verschillende 220uF condensatoren in, let op de spanningswaarden.
- De kleine spanningsregelaars iets gedraaid plaatsen (zie foto bijlage). De printopdruk doet anders vermoeden, maar dat is fout!
- Schema's en foto's staan hier: http://www.hamforum.nl/viewtopic.php?f=36&t=818
- De gelijkrichter onderop de print wordt redelijk warm. De dikke elko's aan de andere kant zou je om die reden iets zwevend boven de print kunnen plaatsen. Hij gaat er echt niet kapot van, maar voor de levensduur wellicht verstandig.
- Er is een modificatie toegevoegd in de vorm van een LC filter aan de uitgang. Deze kun je zwevend monteren, of op een eigen gemaakt (experimenteer)printje of uitgesneden koperplaat.
- De grote spanningsregelaars moeten absoluut aan een koelplaat bevestigd worden voor je gaat testen!
Opmerking voor mensen met een onderdelen pakketje: Kijk in de componentenlijst (waar ook de schema's staan). Je hebt alleen de onderdelen ontvangen waar "FOD" achter staat. Voor de rest moet je zelf zorgen, of vragen in de "projectgroep winkel".
(de weerstand en de LED op TP9 zijn niet noodzakelijk)
Succes allemaal, binnenkort zal ik ook beginnen met bouwen en dan komen er wel weer foto's!
- Tjalling PE1RQM
- Forum beheerder

- Berichten: 1091
- Lid geworden op: 09 feb 2007, 22:13
- Roepletters: PE1RQM
- Locatie: Leusden
- Contacteer:
Re: Bouw van de voeding
Bij het bouwen van de voeding voor de spectrum analyzer gelden de volgende aanvullende waarschuwingen:
1 - In sommige pakketjes is per ongeluk de (LM)78L12 verpakt, in plaats van de (LM)79L12 (U6). Gebruik deze dus niet en ga op zoek naar de 79L12. soms zitten er zelfs twee 78L12's in...
Volgens mij waren we even abuis. Omdat alles al verpakt is en het juiste onderdeel hier niet in huis is, kan ik deze fout niet herstellen. Sommige pakketjes zijn ook al verzonden.
Het is gelukkig geen zeldzaam onderdeel, het is een spanningsregelaar voor -12V.
2 - Ik heb het ook al op het forum vermeld: Plaats U5 en U6 niet volgens de tekening op de PCB! Ze moeten iets gedraaid gemonteerd worden op de print. Zie de foto's die zijn geplaatst in het schema overzicht.
1 - In sommige pakketjes is per ongeluk de (LM)78L12 verpakt, in plaats van de (LM)79L12 (U6). Gebruik deze dus niet en ga op zoek naar de 79L12. soms zitten er zelfs twee 78L12's in...
Het is gelukkig geen zeldzaam onderdeel, het is een spanningsregelaar voor -12V.
2 - Ik heb het ook al op het forum vermeld: Plaats U5 en U6 niet volgens de tekening op de PCB! Ze moeten iets gedraaid gemonteerd worden op de print. Zie de foto's die zijn geplaatst in het schema overzicht.
- fred101
- .

- Berichten: 878
- Lid geworden op: 08 jun 2007, 08:08
- Roepletters: PA4TIM
- Locatie: Waardenburg
- Contacteer:
Re: Bouw van de voeding
Ik zit de print layout van de counter te bekijken maar daar staan wat onduidelijkheden in. Er staat bij J4 ook D1 tot 4 vermeld. Verder staan op de foto een aantal draadbruggen gesoldeerd. Deze vind ik niet op het schema. Moeten wij die daar ook plaatsen of was de foto van een prototype ?
Voor de andere : Let op U6 (cd4029) en U16 (74HC390) dat lijkt me echt iets om per ongeluk om te draaien.
Ook de SMD elco's. Deze hebben hun streep aan de + kant.
Voor tips over SMD solderen heb ik wat tips staan op mijn site bij de bouw van mijn VNA die bestond uit een paar honderd van die zandkorrels: http://www.hamforum.nl/viewtopic.php?f=50&t=1104
Voor de andere : Let op U6 (cd4029) en U16 (74HC390) dat lijkt me echt iets om per ongeluk om te draaien.
Ook de SMD elco's. Deze hebben hun streep aan de + kant.
Voor tips over SMD solderen heb ik wat tips staan op mijn site bij de bouw van mijn VNA die bestond uit een paar honderd van die zandkorrels: http://www.hamforum.nl/viewtopic.php?f=50&t=1104
PA4TIM's opvangtehuis voor buizenbakken: Link
- Tjalling PE1RQM
- Forum beheerder

- Berichten: 1091
- Lid geworden op: 09 feb 2007, 22:13
- Roepletters: PE1RQM
- Locatie: Leusden
- Contacteer:
Re: Bouw van de voeding
Op die headers komen 8 stuks van die BAT83. We gaan dat nog weleens toelichten (moet ik ook even vragen). Waar ze moeten komen, hangt af van de deler die we gaan gebruiken in de tuner. Er zit nu een 256 deler in, maar dat wordt een 64 deler. Ik weet niet zeker of Timo op de foto van een 256, of een 64 deler is uitgegaan. Dus wacht nog maar even met die headers.
Voor de IC's geldt, dat de inkeeping allemaal één kant op kijken. Weinig kans dat men zich daar in kan vergissen...
Men moet nog wel even op zoek naar een 2-22pF trimmer (C1) om de kristaloscillator mee e calibreren. Die hadden we niet op voorraad, maar zijn meestal wel op een sloopprint te vinden.
Voor de IC's geldt, dat de inkeeping allemaal één kant op kijken. Weinig kans dat men zich daar in kan vergissen...
Men moet nog wel even op zoek naar een 2-22pF trimmer (C1) om de kristaloscillator mee e calibreren. Die hadden we niet op voorraad, maar zijn meestal wel op een sloopprint te vinden.
- fred101
- .

- Berichten: 878
- Lid geworden op: 08 jun 2007, 08:08
- Roepletters: PA4TIM
- Locatie: Waardenburg
- Contacteer:
Re: Bouw van de voeding
De voeding zit in een elkaar maar je geloofd het nooit, nergens een 7912 te vinden. Alle oude printplaten en mijn hele laatje regelaars doorzocht. Ik heb je voor bijna elke rare spanning maar niet voor 12V
. Ik moest toch nog wat IC's bestellen dus dat moet ik dan maar combineren. De pest is dat die dingen die je zoekt meestal net weer niet allemaal op één adres te krijgen zijn.
Er staat een weerstand op die volgens het schema, layout en onderdelenlijst 100E is(ik neem aan dat E ohm is) maar op de foto 820 ohm.
Fred
Er staat een weerstand op die volgens het schema, layout en onderdelenlijst 100E is(ik neem aan dat E ohm is) maar op de foto 820 ohm.
Fred
PA4TIM's opvangtehuis voor buizenbakken: Link
- Tjalling PE1RQM
- Forum beheerder

- Berichten: 1091
- Lid geworden op: 09 feb 2007, 22:13
- Roepletters: PE1RQM
- Locatie: Leusden
- Contacteer:
Re: Bouw van de voeding
Fred, ik heb hier inmiddels de juiste spanningsregelaar liggen. Mocht je deze dus echt niet kunnen vinden, moeten we die op een één of andere manier bij jou zien te krijgen (opsturen ofzo).
Ik heb je vraag over R5 820E / 100E aan Timo gesteld per mail, dus daar hoop ik spoedig antwoord op te hebben. Goed opgevallen in ieder geval
100E is onderdaad de "normale" 100 Ohm weerstand uit de E12 reeks.
Ik heb je vraag over R5 820E / 100E aan Timo gesteld per mail, dus daar hoop ik spoedig antwoord op te hebben. Goed opgevallen in ieder geval
100E is onderdaad de "normale" 100 Ohm weerstand uit de E12 reeks.
Re: Bouw van de voeding
Mijn idee voor een solide en veilige voeding :
Het blikje is gemaakt van een stuk deksel van een PC kast. Dus niet meer schilderen en het oogt mooi. De onderkant van de print en de 240V net-aansluiting : In de voeding heb ik een aantal kleine aanpassingen gemaakt : Het blik dient nu ook direct als koellichaam. Is voorlopig tijdens het testen voldoende.
Ik heb een aantal LED'jes geplaatst die tijdens het testen de 5V, 12V en -12V spanning aangeven.
Er is een zwaardere B40C1500 brugcel geplaatst langs de BOVENKANT zodat er geen warmteprobleem meer is.
De 79L05 is (nog) niet geplaatst. Voor sommige elko's is het wel wat krap, maar het lukt nog net.
De voeding werkte meteen !
Update:Bij het samenbouwen bleek dat het helemaal niet zo makkelijk werkt als je de draden langs de bovenkant van de print wil solderen. Je kan er niet goed tussen en zit makkelijk met de soldeerbout tegen de elko's. Daarom heb ik besloten tot een kleine modificatie om de bedrading langs ONDER door te voeren en te solderen. Hiervoor zijn langs onder telkens 2 gaatjes bij geboord. Langs de gaatjes tegen de print kan de massa nu makkelijk gesoldeerd worden zowel aan het blik als aan een aarde-draad. Je ziet hier ook het extra filter met de elko en spoel van 100µH. Op de volgende foto is te zien dat de AC6V draad aan een midden-aftakking van de trafo gesoldeerd is. Het is de enige draad die langs bovenzijde loopt. Ik wil nogmaals vermelden dat de 300mA voor de counter hier niet voorzien is, omdat ik met een LCD werk. Het is mogelijk dat je dan anders een iets zwaardere trafo moet gebruiken.
on1bes
Het blikje is gemaakt van een stuk deksel van een PC kast. Dus niet meer schilderen en het oogt mooi. De onderkant van de print en de 240V net-aansluiting : In de voeding heb ik een aantal kleine aanpassingen gemaakt : Het blik dient nu ook direct als koellichaam. Is voorlopig tijdens het testen voldoende.
Ik heb een aantal LED'jes geplaatst die tijdens het testen de 5V, 12V en -12V spanning aangeven.
Er is een zwaardere B40C1500 brugcel geplaatst langs de BOVENKANT zodat er geen warmteprobleem meer is.
De 79L05 is (nog) niet geplaatst. Voor sommige elko's is het wel wat krap, maar het lukt nog net.
De voeding werkte meteen !
Update:Bij het samenbouwen bleek dat het helemaal niet zo makkelijk werkt als je de draden langs de bovenkant van de print wil solderen. Je kan er niet goed tussen en zit makkelijk met de soldeerbout tegen de elko's. Daarom heb ik besloten tot een kleine modificatie om de bedrading langs ONDER door te voeren en te solderen. Hiervoor zijn langs onder telkens 2 gaatjes bij geboord. Langs de gaatjes tegen de print kan de massa nu makkelijk gesoldeerd worden zowel aan het blik als aan een aarde-draad. Je ziet hier ook het extra filter met de elko en spoel van 100µH. Op de volgende foto is te zien dat de AC6V draad aan een midden-aftakking van de trafo gesoldeerd is. Het is de enige draad die langs bovenzijde loopt. Ik wil nogmaals vermelden dat de 300mA voor de counter hier niet voorzien is, omdat ik met een LCD werk. Het is mogelijk dat je dan anders een iets zwaardere trafo moet gebruiken.
Laatst gewijzigd door on1bes op 15 sep 2011, 00:00, 1 keer totaal gewijzigd.
- fred101
- .

- Berichten: 878
- Lid geworden op: 08 jun 2007, 08:08
- Roepletters: PA4TIM
- Locatie: Waardenburg
- Contacteer:
Re: Bouw van de voeding
Nou, mijn voeding is niet goed. Ik kwam er net bij lezen achter dat de regelaars op een koelblokje moeten, dat had ik niet gedaan maar is het probleem niet. Ze waren nog niet handwarm.
Ik had geen spanning op de DC kant van de bruggelijkrichter. Ik heb de voedingsprint losgeschroefd van de achterwand, met wat stukjes montage draad op zijn kop gehangen om beter te kunnen meten. Even voor de zekerheid wat punten opnieuw gesoldeerd en de brug aan de AC kant een extra druppel soldeer gegeven zodat de pootjes direct verbinding maken met C19 Ik zet de spanning erop en ik heb overal de juiste spanning. De display brandde, reageerde op de knoppen maar sprong na een seconde of 30 uit. Even aan en uit zetten en hij deed het weer. Net als een oude Yaesu die niet locked, die dimt ook zijn display, zal de ontbrekende sync wel zijn dacht ik dus.
test nog even voor de zekerheid wat er gebeurd als ik de massa met de kast verbindt maar dat was geen probleem.
Dus ik dacht dat het nu wel goed was schroef hem met een schroef vast. Zet hem aan, er klinkt een geluid alsof er iets flink oscilleert, de trafo bromt en er de brug wordt bloedheet. Ik maak de pcb los hang hem weer op zijn kop. De ene tinbrug is weg gesmolten en zodra ik hem aanzet weer het zelfde, gelijk zo heet dat hij rookt maar de display springt wel aan..
Alle verbruikers afgekoppeld, nog steeds zelfde probleem. De regelaars zitten allemaal goed, moest ook wel want de spanningen waren goed. Er is geen kortsluiting na de brug. De DC weerstand is dus danig dat er max 10mA kan lopen. Alle componenten zitten goed.
Ik ben bang dat ik of een maandag morgen exemplaar van de brug heb. Dat door het solderen even iets weer net genoeg verbinding maak maar met een te hoge overgangsweerstand, of dat er iets net te krap is ontworpen.
Ik zag op de foto bij de startpost namelijk een RC netwerkje op de -12V zitten. Er zit erg veel capaciteit rondom die regelaars. De datasheet adviseert 330nF op de ingang als de afvlakking verder dan 10cm zit en 10nF op de uitgang. In onze voeding hangt er 10n op de ingang terwijl de afvlak elco vlak bij zit dus dat zal geen probleem zijn. Maar op de uitgang hangt 10-22 uF. Bij een andere schakeling had ik stabiliteitsproblemen met een 78L12 regelaar totdat ik de elco's op de uitgang weghaalde en er gewoon 10n plaatste. Maar ik ben blijkbaar de enige dus het zal de brug wel zijn.
Zou het kunnen dat er een staat te oscilleren (kan hem niet lang genoeg aanhouden om te meten. Dat zou ook dat RC netwerkje op de start foto verklaren. Dat hij in bepaalde omstandigheden, bv hier vlak naast de trafo, gaat gillen.
. Ik moet toch de regelaars gaan koelen door ze op de achterwand te plaatsen, dan schroef ik daar ook maar gelijk een dikkere gelijkrichter bij op.
Ik had geen spanning op de DC kant van de bruggelijkrichter. Ik heb de voedingsprint losgeschroefd van de achterwand, met wat stukjes montage draad op zijn kop gehangen om beter te kunnen meten. Even voor de zekerheid wat punten opnieuw gesoldeerd en de brug aan de AC kant een extra druppel soldeer gegeven zodat de pootjes direct verbinding maken met C19 Ik zet de spanning erop en ik heb overal de juiste spanning. De display brandde, reageerde op de knoppen maar sprong na een seconde of 30 uit. Even aan en uit zetten en hij deed het weer. Net als een oude Yaesu die niet locked, die dimt ook zijn display, zal de ontbrekende sync wel zijn dacht ik dus.
test nog even voor de zekerheid wat er gebeurd als ik de massa met de kast verbindt maar dat was geen probleem.
Dus ik dacht dat het nu wel goed was schroef hem met een schroef vast. Zet hem aan, er klinkt een geluid alsof er iets flink oscilleert, de trafo bromt en er de brug wordt bloedheet. Ik maak de pcb los hang hem weer op zijn kop. De ene tinbrug is weg gesmolten en zodra ik hem aanzet weer het zelfde, gelijk zo heet dat hij rookt maar de display springt wel aan..
Alle verbruikers afgekoppeld, nog steeds zelfde probleem. De regelaars zitten allemaal goed, moest ook wel want de spanningen waren goed. Er is geen kortsluiting na de brug. De DC weerstand is dus danig dat er max 10mA kan lopen. Alle componenten zitten goed.
Ik ben bang dat ik of een maandag morgen exemplaar van de brug heb. Dat door het solderen even iets weer net genoeg verbinding maak maar met een te hoge overgangsweerstand, of dat er iets net te krap is ontworpen.
Ik zag op de foto bij de startpost namelijk een RC netwerkje op de -12V zitten. Er zit erg veel capaciteit rondom die regelaars. De datasheet adviseert 330nF op de ingang als de afvlakking verder dan 10cm zit en 10nF op de uitgang. In onze voeding hangt er 10n op de ingang terwijl de afvlak elco vlak bij zit dus dat zal geen probleem zijn. Maar op de uitgang hangt 10-22 uF. Bij een andere schakeling had ik stabiliteitsproblemen met een 78L12 regelaar totdat ik de elco's op de uitgang weghaalde en er gewoon 10n plaatste. Maar ik ben blijkbaar de enige dus het zal de brug wel zijn.
Zou het kunnen dat er een staat te oscilleren (kan hem niet lang genoeg aanhouden om te meten. Dat zou ook dat RC netwerkje op de start foto verklaren. Dat hij in bepaalde omstandigheden, bv hier vlak naast de trafo, gaat gillen.
. Ik moet toch de regelaars gaan koelen door ze op de achterwand te plaatsen, dan schroef ik daar ook maar gelijk een dikkere gelijkrichter bij op.
PA4TIM's opvangtehuis voor buizenbakken: Link
Re: Bouw van de voeding
Fred
Met de voeding heb ik geen problemen gehad. Maar ik had van in het begin reeds een paar veranderingen aangebracht, zoals ik in dit topic reeds beschreef. Jouw verhaal laat me aan 2 dingen denken. Eerst heb ik meteen al de brugcel vervangen door een gewone 4-poot 1500mA brugcel, een iets zwaarder type, omdat ik de originele SMD cel al meteen wat krap bemeten vond. De print moest daarvoor wel wat aangepast worden. Ten tweede is er voor de elko's wat weinig plaats op de print, als je niet de moderste en kleinste elko's neemt. Ik heb ook moeten zoeken naar de juiste diameter van sommige elko's om ze op de print te krijgen. Bovendien verdragen sommige elko's bijna geen overspanning, zodat je de max. werk-spanning hoog genoeg moet nemen. Vooral met exemplaren van b.v. Chinees makelij heb ik slechte ervaringen. En dan beginnen die na 30sec vrij warm te worden, en die gaan dan ZELF stroom gaan trekken ! Met de schakelende regelaar had ik geen problemen. Die kwam uit een afgedankte modem + de bijhorende diode. Worderwel werkte dat allemaal. Ik heb dus geleerd van zeker in voedingen geen besparingen of consessies te doen. Het is eigenlijk het belangste onderdeel van een schakeling.
Herman on1bes
Met de voeding heb ik geen problemen gehad. Maar ik had van in het begin reeds een paar veranderingen aangebracht, zoals ik in dit topic reeds beschreef. Jouw verhaal laat me aan 2 dingen denken. Eerst heb ik meteen al de brugcel vervangen door een gewone 4-poot 1500mA brugcel, een iets zwaarder type, omdat ik de originele SMD cel al meteen wat krap bemeten vond. De print moest daarvoor wel wat aangepast worden. Ten tweede is er voor de elko's wat weinig plaats op de print, als je niet de moderste en kleinste elko's neemt. Ik heb ook moeten zoeken naar de juiste diameter van sommige elko's om ze op de print te krijgen. Bovendien verdragen sommige elko's bijna geen overspanning, zodat je de max. werk-spanning hoog genoeg moet nemen. Vooral met exemplaren van b.v. Chinees makelij heb ik slechte ervaringen. En dan beginnen die na 30sec vrij warm te worden, en die gaan dan ZELF stroom gaan trekken ! Met de schakelende regelaar had ik geen problemen. Die kwam uit een afgedankte modem + de bijhorende diode. Worderwel werkte dat allemaal. Ik heb dus geleerd van zeker in voedingen geen besparingen of consessies te doen. Het is eigenlijk het belangste onderdeel van een schakeling.
- Tjalling PE1RQM
- Forum beheerder

- Berichten: 1091
- Lid geworden op: 09 feb 2007, 22:13
- Roepletters: PE1RQM
- Locatie: Leusden
- Contacteer:
Re: Bouw van de voeding
Fred; dat geluid wat klinkt als iets wat oscilleert komt uit de 100uH spoel naast de MC34063A. Die schakelt en dat kan bij bepaalde ingangsspanningen een pieptoontje geven.
Soldeer de 7805 en de 7812 (de grotere TO220 exemplaren) eens los en kijk dan of de schakeling nog zoveel stroom trekt. Mogelijk is één van deze twee stuk. Maar zo kan je ook zien of het eventueel achter deze spanningsregelaars mis gaat. Kijk ook goed dat je geen 78M05 gebruikt. De M versies kunnen maar 500mA leveren. Alleen de counter trekt al bijna 350mA, dus dan heb je weinig marge.
Een goed werkende spectrum analyzer trekt in totaal ongeveer een dikke 1 Ampere uit de trafo. Bij 15V~.
Die ~15V uit de trafo mag wel iets afwijken, maar moet ook weer niet 10 of 20V wezen. Wat doet die bij jou?
Soldeer de 7805 en de 7812 (de grotere TO220 exemplaren) eens los en kijk dan of de schakeling nog zoveel stroom trekt. Mogelijk is één van deze twee stuk. Maar zo kan je ook zien of het eventueel achter deze spanningsregelaars mis gaat. Kijk ook goed dat je geen 78M05 gebruikt. De M versies kunnen maar 500mA leveren. Alleen de counter trekt al bijna 350mA, dus dan heb je weinig marge.
Een goed werkende spectrum analyzer trekt in totaal ongeveer een dikke 1 Ampere uit de trafo. Bij 15V~.
Die ~15V uit de trafo mag wel iets afwijken, maar moet ook weer niet 10 of 20V wezen. Wat doet die bij jou?
- fred101
- .

- Berichten: 878
- Lid geworden op: 08 jun 2007, 08:08
- Roepletters: PA4TIM
- Locatie: Waardenburg
- Contacteer:
Re: Bouw van de voeding
Onder belasting staat er 14,5 V AC.
Dit oscilleren is veel heftiger. Ik weet wat je bedoeld maar dat is het niet. Dit is heel rauw.
1A dat is best pittig, dan trekt hij inderdaad aardig wat stroom.
Ik zal wel eens wat meten en testen, komt wel goed, ik heb vaker switchers gebouwd en gerepareerd. Ik weet hoe ze werken. En de gewone lineaire regelaars is ook niet zo lastig. Ik heb daar laatst een test fixture voor gemaakt om ze te testen.
Wat ik vandaag nog leerde van een kennis ( ben met hem naar een analoog ontwerp seminar geweest) is dat een spoel bij een switcher met de binnenkant op de uitgang van de regelaar moet worden aangesloten. Daarom staat er vaak een stip op. Dat dempt de EMC en invloed op andere delen van het circuit. Dat kijk ik dus ook even na.
Dit oscilleren is veel heftiger. Ik weet wat je bedoeld maar dat is het niet. Dit is heel rauw.
1A dat is best pittig, dan trekt hij inderdaad aardig wat stroom.
Ik zal wel eens wat meten en testen, komt wel goed, ik heb vaker switchers gebouwd en gerepareerd. Ik weet hoe ze werken. En de gewone lineaire regelaars is ook niet zo lastig. Ik heb daar laatst een test fixture voor gemaakt om ze te testen.
Wat ik vandaag nog leerde van een kennis ( ben met hem naar een analoog ontwerp seminar geweest) is dat een spoel bij een switcher met de binnenkant op de uitgang van de regelaar moet worden aangesloten. Daarom staat er vaak een stip op. Dat dempt de EMC en invloed op andere delen van het circuit. Dat kijk ik dus ook even na.
PA4TIM's opvangtehuis voor buizenbakken: Link
- fred101
- .

- Berichten: 878
- Lid geworden op: 08 jun 2007, 08:08
- Roepletters: PA4TIM
- Locatie: Waardenburg
- Contacteer:
Re: Bouw van de voeding
De voeding lijkt het nu te doen maar hij is nog niet echt belast. De diode brug was defect en ook de 7905. Toen ik die verving had ik even overal de goede spanning , ineens loopt de AC stroom op tot 1.9 A en toen werd de 7812 bloedheet en viel de 12 V weg. Tweede 7812 erin met een extra 10 nF op de uitgang, ook op de 7805. zelfde effect, even gaat het goed maar wordt hij heet. Steeds even heel snel gemeten en weer uit en toen meette ik iets te lang en fikte hij weer door, echt binnen 15 tot 30 seconden. Er stond daarvoor wel een sinus op de ingang ( kon niet lang genoeg meten om te weten hoeveel en weet niet meer of mijn probe op 1x of 10x stond maar het was 3 of 0,3 V bij ongeveer 100 Hz) van de regelaar en ook een restant op de uitgang. Alles na gekeken. Geen kortsluiting. Switcher en de rest werkte. Toen de voedingbaan naar de regelaar doorgefreesd. Derde 7812 erin en 18V via labvoeding op de regelaar zijn ingang. Geen enkel proleem. Netjes 12 V bij 10 mA. Toen een diode tussen brug en ingang regelaar gezet want volgens mij heeft het wat te maken met back EMF van de spoel op de ingang van de 7812. En nu blijft hij gewoon koud en heb ik alle uitgangspanningen. Geen osillaties meer op de 7812. Maar iets is er over kritisch. Ik snap niet waarom dat alleen bij mij fout gaat ? Ik ben benieuwd hoeveel de SA dadelijk trekt.
De switcher component waarden snap ik niet. Volgens online calculators en de formules in de datasheet heb ik heel andere waarden nodig. Als ik het met de huidige componenten terug reken gaat hij buiten de specs.
Hij mag werken tussen 24 en 42 KHz en hij draait bij mij op de max van 42 KHz. De tuner heeft 90 mA nodig. Als ik dan voor de zekerheid van 200 mA uitga en 17 V als minimum voor de zekerheid kom ik op een spoel van ongeveer 200 uH en een timing C van ongeveer 300 pF. Rsc moet dan ongeveer 0,5 ohm zijn. Output filter 1 uH en 100uF. Nu hopen dat de rest geen opdonder heeft gehad.
Edit:
Hij werkt.
Tenminste de voeding is goed. Er komt nu 30.000.018 Hz uit de tuner met een sweepwidth van 0. De counter toont cijfers ( alleen lijkt het erop dat ik wat fout heb gedaan want de meest linkse is in ieder geval de Minst significanten, het is nu een soort chinese counter. Ik heb een zaagtand en een horizontae baseline. Dat lijkt allemaal te werken.
Alleen komt er niks uit mijn IF. Als ik daar 30 MHz op zet komt er niks uit. Ik heb nu geen fut meer. In ieder geval is het begin er.
De switcher component waarden snap ik niet. Volgens online calculators en de formules in de datasheet heb ik heel andere waarden nodig. Als ik het met de huidige componenten terug reken gaat hij buiten de specs.
Hij mag werken tussen 24 en 42 KHz en hij draait bij mij op de max van 42 KHz. De tuner heeft 90 mA nodig. Als ik dan voor de zekerheid van 200 mA uitga en 17 V als minimum voor de zekerheid kom ik op een spoel van ongeveer 200 uH en een timing C van ongeveer 300 pF. Rsc moet dan ongeveer 0,5 ohm zijn. Output filter 1 uH en 100uF. Nu hopen dat de rest geen opdonder heeft gehad.
Edit:
Hij werkt.
Tenminste de voeding is goed. Er komt nu 30.000.018 Hz uit de tuner met een sweepwidth van 0. De counter toont cijfers ( alleen lijkt het erop dat ik wat fout heb gedaan want de meest linkse is in ieder geval de Minst significanten, het is nu een soort chinese counter. Ik heb een zaagtand en een horizontae baseline. Dat lijkt allemaal te werken.
Alleen komt er niks uit mijn IF. Als ik daar 30 MHz op zet komt er niks uit. Ik heb nu geen fut meer. In ieder geval is het begin er.
PA4TIM's opvangtehuis voor buizenbakken: Link
- Tjalling PE1RQM
- Forum beheerder

- Berichten: 1091
- Lid geworden op: 09 feb 2007, 22:13
- Roepletters: PE1RQM
- Locatie: Leusden
- Contacteer:
Het belang van een schone 24V
De 24V spanning naar de tuner moet brandschoon zijn. Dat is nu net even wat lastiger binnen ons voedingsontwerp. Daarin wordt een "1.5-A PEAK BOOST/BUCK/INVERTING SWITCHING REGULATOR" gebruikt om deze 24V spanning te maken, de MC34063A. Dat doet hij erg efficiënt en we hoeven niet te zoeken naar een ingewikkelde transformator.
We hadden al een modificatie doorgevoerd in de 24V lijn, door daar een filtertje in te plaatsen met een spoel en een condensator. Toch vond ik dat nog niet genoeg en heb nog een dergelijk filter geplaatst, nu direct aan de 24V ingang van de tuner. De waarden komen niet zo kritisch. Maar het bovenstaande voorbeeld is veel te matig. Ik heb nu een 100uH spoel en een 470uF elko geplaatst. Gebruik voor de Elko een low-ESR type (in elk geval een 105 graden exemplaar)
Het verschil was te zien in het beeld.
We hadden al een modificatie doorgevoerd in de 24V lijn, door daar een filtertje in te plaatsen met een spoel en een condensator. Toch vond ik dat nog niet genoeg en heb nog een dergelijk filter geplaatst, nu direct aan de 24V ingang van de tuner. De waarden komen niet zo kritisch. Maar het bovenstaande voorbeeld is veel te matig. Ik heb nu een 100uH spoel en een 470uF elko geplaatst. Gebruik voor de Elko een low-ESR type (in elk geval een 105 graden exemplaar)
Het verschil was te zien in het beeld.
- Tjalling PE1RQM
- Forum beheerder

- Berichten: 1091
- Lid geworden op: 09 feb 2007, 22:13
- Roepletters: PE1RQM
- Locatie: Leusden
- Contacteer:
Re: Bouw van de voeding
Hmm... het kon nog beter. Je moet echt zelf wat experimenteren als je last blijft houden van storing in beeld.
Er zijn twee aandachtspunten:
- 50Hz componenten in beeld
- Storing van schakelende regelaar in beeld.
50Hz: houd de lijnen tussen de gelijkrichter en de elko's zo kort mogelijk. Daar lopen hele hoge laadstromen in het ritme van 100Hz, dus dat zie je dan zo terug. Low-ESR elko direct op de gelijkrichter kan wel helpen. Dus geen lange draden naar een losse elko. Zorg in elk geval dat deze hoge laadstromen niet op het massavlak kunnen injecteren.
Storing van schakelende regelaar: Kan voorkomen op de uitgang van de 24V lijn, maar kan ook via andere wegen de tuner binnenkomen. Een LC filter was al beschreven voor de 24V aan de tuner en ook nog een tweede filter direct aan de tuner. Experimenteer ook eens met een 100uH spoeltje (of iets dergelijks) in de lijn van de VT. Leg daarachter een iets groter C-tje naar massa, dan wat er nu al ligt. Ga niet hoger dan 22nF, want dan krijg je links in beeld rare effecten bij sterke signalen.
Het is nog niet perfect, maar dat komt denk ik door het feit, dat een schakelende regelaar niet alleen aan de uitgang gefilterd moet worden, maar ook aan de ingang. En dat is nu even wat lastig, want de print zit al in de behuizing ingebouwd. Maar als ik de kans krijg, dan ga ik daar ook nog weleens mee experimenteren. Voor wie van jullie daar zelf al eens mee aan de slag wil, check dan ook eens een ander project van mij waar ik daar al goede resultaten mee geboekt heb;
http://www.pe1rqm.nl/?p=2807
Er zijn twee aandachtspunten:
- 50Hz componenten in beeld
- Storing van schakelende regelaar in beeld.
50Hz: houd de lijnen tussen de gelijkrichter en de elko's zo kort mogelijk. Daar lopen hele hoge laadstromen in het ritme van 100Hz, dus dat zie je dan zo terug. Low-ESR elko direct op de gelijkrichter kan wel helpen. Dus geen lange draden naar een losse elko. Zorg in elk geval dat deze hoge laadstromen niet op het massavlak kunnen injecteren.
Storing van schakelende regelaar: Kan voorkomen op de uitgang van de 24V lijn, maar kan ook via andere wegen de tuner binnenkomen. Een LC filter was al beschreven voor de 24V aan de tuner en ook nog een tweede filter direct aan de tuner. Experimenteer ook eens met een 100uH spoeltje (of iets dergelijks) in de lijn van de VT. Leg daarachter een iets groter C-tje naar massa, dan wat er nu al ligt. Ga niet hoger dan 22nF, want dan krijg je links in beeld rare effecten bij sterke signalen.
Het is nog niet perfect, maar dat komt denk ik door het feit, dat een schakelende regelaar niet alleen aan de uitgang gefilterd moet worden, maar ook aan de ingang. En dat is nu even wat lastig, want de print zit al in de behuizing ingebouwd. Maar als ik de kans krijg, dan ga ik daar ook nog weleens mee experimenteren. Voor wie van jullie daar zelf al eens mee aan de slag wil, check dan ook eens een ander project van mij waar ik daar al goede resultaten mee geboekt heb;
http://www.pe1rqm.nl/?p=2807
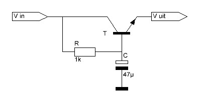
Re: Bouw van de voeding
Hoi Tjalling,
Heb je al eens een zgn. "Capacitor Multiplier" geprobeerd om de voedingsspanning schoon te maken?
Groeten, Pieter
Heb je al eens een zgn. "Capacitor Multiplier" geprobeerd om de voedingsspanning schoon te maken?
Groeten, Pieter
- Bijlagen
-
- Capacitor Multiplier.JPG (7.39 KiB) 116355 keer bekeken
40 meter? Daar zitten m'n audio carriers....

