Het grote wobbel/networkanalyzer topic

Forumregels
Plaats hier je bouwsels. Gebruik gerust de bijlagenfunctie van dit forum om bijvoorbeeld foto's en schema's toe te voegen. ATV (amateur televisie) bouwprojecten kun je beter in het ATV subforum plaatsen.
Gebruikersavatar
fred101
.
.
Berichten: 878
Lid geworden op: 08 jun 2007, 08:08
Roepletters: PA4TIM
Locatie: Waardenburg
Contacteer:

Re: Het grote wobbel/networkanalyzer topic

Ongelezen bericht door fred101 »

En ik was nog wel begonnen met de voeding :crybaby:

Hoe werkt die voeding eigenlijk. Hij krijgt 54VAC binnen. Dat wordt door maar een diode gelijkgericht en door "mini" elco's afgevlakt.
De basis hangt aan min via een rij zeners. Die worden gebiasd via twee weerstanden waarvan er een op een elco.

Die zeners geven een vaste negatieve spanning, die elco als buffer om stroom/spannings variaties op te vangen ?. De tor staat dan vast ingesteld om van 75VDC ( hij wordt half gelijkgericht) 50V te maken. Hij moet 20mA leveren. De spanningsval is dus 25V. Hij staat dus een half watt te dissiperen. Waarom dan zo'n hele dikke tor ? (of die 20mA is ook een drukfout)

Ik kan dus net zo goed een npn nemen (heb geen zin om een enkele tor in duitsland te bestellen) en dan de componenten gewoon omdraaien. Mooier vind ik dan om een regelbare basis te hebben, dus niet met zeners maar bv met een LM317 ofzo. Of bij een pnp een LM337. Dan kan ik hem precies 50V maken. Oook de 27V dan via een LM337 precies -27V maken. Daar moet hij altijd beter van worden. Zo kan ik hem beetje bij beetje upgraden.
PA4TIM's opvangtehuis voor buizenbakken: Link
rbeckers
.
.
Berichten: 492
Lid geworden op: 10 mei 2008, 23:15

Re: Het grote wobbel/networkanalyzer topic

Ongelezen bericht door rbeckers »

Fred,

de basis hangt aan de +50V via die zeners en niet aan gnd.
Kijk naar C2 , D2, D6 t/m D10, C6. De emmiter van T2 zit aan GND. De collector is negatiever dan GND.
Voeding is precies andersom als een "normale" positieve voeding.
Dit is een negatieve voeding :wink: waarvan de uitgang aan GND hangt. Dus krijg je +50 V.

De hele +50 V voeding kun je ook vervangen door een 7824, een 27V zener en dan in serie een diode + wat C's.
Of 7824 + zener voor 26V (2x 13V).

René
Gebruikersavatar
fred101
.
.
Berichten: 878
Lid geworden op: 08 jun 2007, 08:08
Roepletters: PA4TIM
Locatie: Waardenburg
Contacteer:

Re: Het grote wobbel/networkanalyzer topic

Ongelezen bericht door fred101 »

Die regelaars heb ik maar hoe maak je daar nu 50 en 27V mee ? Is het zo dat ze ook 24V tov een referentie doen ipv massa ? Ik zou dan ipv een zener (ik heb wel diverse zeners) een LM317 kunnen nemen en die op 27V afregelen en de massa van de 7827 hang je dan aan de uitgang van de LM317. Zo iets ? O, nee dat gaat natuurlijk niet een 317 mag maar 45 V en hier staat 75V.

Ik heb wat zitten simuleren in symetrix maar de uitgang van de 2n3055 werd altijd gelijk aan de basis spanning. Dat is dus een common base met een versterking van 1. Heb ik het dan goed ? Als de basis dan stabiel (door de zener) op de gewenste spanning blijft gaat de hoofdstroom door de tor met de zelfde spanning.
PA4TIM's opvangtehuis voor buizenbakken: Link
rbeckers
.
.
Berichten: 492
Lid geworden op: 10 mei 2008, 23:15

Re: Het grote wobbel/networkanalyzer topic

Ongelezen bericht door rbeckers »

Fred,

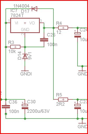
een 78xx maakt een verschil van xx V tussen uitgang en referentie. Een weerstand + zener (+ eventueel tor) voor de 7824 tot 55-60 V helpt.
Een 7824 kan maximaal 40V tussen ingang en referentie aan.
7824.JPG
7824.JPG (33.06 KiB) 475810 keer bekeken
Als je een positieve voeding met een 2N3055 maakt waar de basis ingesteld staat op een bepaalde spanning en de uitgang de emmiter is,
dan is dit een emittervolger. Alleen stroomversterking.
Lijkt op een common base. Maar de emmiter is de uitgang en niet de ingang.

René
Gebruikersavatar
fred101
.
.
Berichten: 878
Lid geworden op: 08 jun 2007, 08:08
Roepletters: PA4TIM
Locatie: Waardenburg
Contacteer:

Re: Het grote wobbel/networkanalyzer topic

Ongelezen bericht door fred101 »

Oh, ik had de emitter als uitgang. Dat kan dus ook omgekeerd ? Heet het daarom bipolair ? Ik voel aankomen dat dit een leerzame ervaring gaat worden. :) Het schema zit idd net andersom. De tor zit aan de massakant.

Daarom zitten er dus zoveel torren in die oude voedingen. Er moet een vaste constante spanning (en dus stroom) op de basis. Als er meer vermogen wordt gevraagd zakt de voedingspanning wat in maar de basis mag niet mee inzakken. Ik had het mooiu getekend tot ik 50V had maar toen ik de load veranderde ging ook de uitgangspanning mee. Kortom er werd niet geregeld. Die russen gebruiken zeners wat dus geen fijnregeling mogelijk maakt maar wel veel onderdelen scheelde. Er zitten vreselijk veel zeners in het ding en de meeste in serie met andere of diodes. Solderen is een ramp want de sporen lijken alleen door die lak op hun plaats te worden gehouden. Je kunt niks los solderen zonder dat het print spoor er spontaan een stuk afdonderd.

Ik kan dus een 2n3055 met zeners maken zoals het nu zit met de bestaande onderdelen alleen de boel omdraaien , zo'n HP/philips voeding nabouwen met gepaarde torren enz , interessant, dat levert info op die andere reparaties weer makkelijker maakt maar niet haalbaar denk ik of de 7824 (die ik redelijk wat heb)

Hoe bepaal ik daar de uitgangspanning. Hij levert 24V tov de referentie dus moet de referentie 26V zijn om 50V uit te krijgen. Dat kan ik dan met een zener of een LM317 doen. Maar eerst moet ik dus die 75 volt terugbrengen met een zener ivm max spanning 78XX. Dat kan ik dus ook doen met een NPN waar de collector in en emiter uit is en de basis met een 60 volt zener aan de collector hangt en een weerstand van basis naar emitter

Uitgang 50V. Referentie moet dus 24V lager dus 26V. (twee 12,5V zeners en een silicium diode)
Jij tekent 9V voor de zener dan staat er dus 9+24= 33V op de uitgang of is het alleen een principe voorbeeld ?
Bij een LM317 hangen ze diodes tussen common en massa. Dan kan hij tot 0V, dat is dus ook zoiets alleen de diodes nu omgekeerd waardoor de massa negatiever wordt ?
PA4TIM's opvangtehuis voor buizenbakken: Link
Gebruikersavatar
fred101
.
.
Berichten: 878
Lid geworden op: 08 jun 2007, 08:08
Roepletters: PA4TIM
Locatie: Waardenburg
Contacteer:

Re: Het grote wobbel/networkanalyzer topic

Ongelezen bericht door fred101 »

Ik geloof dat ik het kunstje doorheb.

Deze zouden moeten werken.
voeding2.jpeg
Bijlagen
voeding.jpeg
PA4TIM's opvangtehuis voor buizenbakken: Link
rbeckers
.
.
Berichten: 492
Lid geworden op: 10 mei 2008, 23:15

Re: Het grote wobbel/networkanalyzer topic

Ongelezen bericht door rbeckers »

Fred,

wat leesvoer:
1 http://en.wikipedia.org/wiki/Emitter_follower
2 http://en.wikipedia.org/wiki/Common_emitter
3 http://en.wikipedia.org/wiki/Common_base

(emitter follower is common_collector)

1 is een buffer (x1 spanningsversterking), 2 is een standaard versterker en 3 is een spanningsversterker (afhankelijk van de weerstanden) en voor HF interessant.

De 33V is een voorbeeld. De max spanning van dat 33V voorbeeld is dus 40V + 9V want de 7824 hangt niet rechtstreeks aan gnd.

Schakelingen zijn beide niet goed.
Varieer V1 maar eens en schrik dan! :naughty:


René
Gebruikersavatar
fred101
.
.
Berichten: 878
Lid geworden op: 08 jun 2007, 08:08
Roepletters: PA4TIM
Locatie: Waardenburg
Contacteer:

Re: Het grote wobbel/networkanalyzer topic

Ongelezen bericht door fred101 »

Ik had nog wat tup127 liggen dus die ipv de orginele tor. Daar kwam echter maar 15V uit. Toen heb ik even een 2n3055 met wat zeners enz in elkaar geknutselt zoals in mijn ontwerpje. Dat zou niet de hele avond hebben gekost als ik mijn torrendoos niet omgegooid had, wat een werk om sta weer te sorteren.

Die met draden aangesloten op de originele print. Weer 15V. Wisselspanning gemeten en die was 56 V onbelast zonder de insteekprint. Toen de componenten van de print afgehaald zodat er geen lekke elco of rotte zener de oorzaak zou kunnen zijn. De wisselspanning zakte namelijk naar zo'n 30V. Echter nog steeds het zelfde. Toen de generatorunit (de enige 50V verbruikere) er uit getrokken en wat denk je. 50V na mijn regelaar die inderdaad dramatisch reageert op veranderingen in de voeding. Nu is het lullige dat die opstelling met die tip127 dus waarschijnlijk ook gewoon goed was maar ik nu de print zo ongeveer gesloopt heb. al die sporen lieten weer gelijk los met solderen. DXe fout zit dus ergens in de generator unit. Niet in de stuursignaalvormer want als ik die kaart er uit trek veranderd er niets. Het kan dus alleen in de dat stukje zitten tussen VCO en stuurspanningsvormer. In dat bakje zitten 4 weerstanden een condensator en een zener. Die condensator hangt over de onderste dus kan hooguit de uitslag beperken maar niet voor zoveel stroomvraag zorgen dat een 5A tor sneuvelt. Ik denk dat hier een combinatie van dingen is.

Waarschijnlijk is de stuurspanning al nooit helemaal goed geweest want hij gaf vaak meetresultaten die niet logisch waren. Ik dacht toen dat dat gewoon aan mijn gebrek aan kennis/ervaring met analysers lag. De sweep begon bij iets van 70MHz liep naar 0 en dan naar 650. Dat de golfvorm vervormd was bij volle versterking kwam waarschijnlijk door die defecte diode in de mixer en dat verklaart denk ik ook die rare zelfresonanties die soms onderin optraden.

Dat de voeding defect is zal wel toeval zijn want dit trafotje kan niet genoeg stroom leveren om zo'n tor te mollen. Die tip127 werd niet eens lauw tijdens het testen.

Het kan nu nog zijn dat ik bij het weer in elkaar zetten de 50V fout heb aangesloten. Ik moest al die draadjes losmaken en had de nummers op de kast gezet. Op de rand onder het delksekl :embarassed: wat ik dus niet meer kon zien bij inbouwen. Nu twijfelde ik over twee aansluitingen 12,6V en 50V. Die zitten naast elkaar. Die 12,6V trekt veel meer. Als die gewisseld zijn is het maar goed dat die trafo het niet trekt. :pray:

Maar nu moet ik dus nog steeds een werkende 50V maken want de oude is onherstelbaar en mijn ontwerp is prima zolang er niets raars gebeurd. Hij is wel mooi geschikt om iets met een 7824 achter te zetten. Ik snap alleen jou schema niet helemaal. Er valt bij mij links en rechts een stukje weg en rechts lijken twee "uitgangen" R4 en R5
PA4TIM's opvangtehuis voor buizenbakken: Link
rbeckers
.
.
Berichten: 492
Lid geworden op: 10 mei 2008, 23:15

Re: Het grote wobbel/networkanalyzer topic

Ongelezen bericht door rbeckers »

Fred,

hopelijk geen smd torren omgegooid? :wink:
Ik denk dat de originele tor tgv te hoge spanning gesneuveld is.

De geposte 33V voeding, met 7824 en zener, is onderdeel van een grotere schakeling. Links zit een gelijkrichter en rechts de rest van de schakeling.
Heb je je twee eigen schakelingen al goed bekeken?

René
Gebruikersavatar
fred101
.
.
Berichten: 878
Lid geworden op: 08 jun 2007, 08:08
Roepletters: PA4TIM
Locatie: Waardenburg
Contacteer:

Re: Het grote wobbel/networkanalyzer topic

Ongelezen bericht door fred101 »

Ja, mijn eigen schakelingen doen het wel in symetrix. Bij veranderende voeding veranderd de uitgang maar bij veranderende load niet. Ik heb nu 51V op de uitgang en dat blijft redelijk stabiel, verloopt ongeveer een tiende.
Dat is in ieder geval geschikt om verder te zoeken. Ik had twee draadjes omgewisseld. De stuurspanning loopt nu van +35 tot -15 zoals in het boekje staat. Maar nu loopt de -10 naar 0 naar +10 nog steeds niet. Ben in ieder geval nu verder. Er hangt een testopstelling met spoel aan als referentie. Voor ik begon gaf die in band twee een paar pieken in het begin. Hij kwam nooit verder daarvoor. Ik dacht dat dat aan mijn detector lag. Nu doet hij het over het hele gebied. De oscillaties zijn weg.

Ik moet nu alleen nog zorgen dat de -10V stuurspanning op band een er nog komt. Zal alle aansluitingen daar nog eens nakijken. Misschien zit er een -12 ook verkeerd om.
PA4TIM's opvangtehuis voor buizenbakken: Link
Gebruikersavatar
fred101
.
.
Berichten: 878
Lid geworden op: 08 jun 2007, 08:08
Roepletters: PA4TIM
Locatie: Waardenburg
Contacteer:

Re: Het grote wobbel/networkanalyzer topic

Ongelezen bericht door fred101 »

Het lukt me niet om het te vinden. Ik weet nu wel wat er fout gaat maar niet hoe het op te lossen.
De schakelunit werkt anders dan het schema getekend. Er is maar een schakel ingang en daar wordt via de bandschakelaar +12,6 of -12,6 opgezet. Dat gebeurd ook dus daar ligt het niet aan. Hij schakelt ook en mixed en is op de goede frequentie want bij omschakelen staat er een vast signaal op de uitgang van voldoende amplitude, geen oscillaties meer maar het is stationair.

Ik heb de stuurspanningsvormer nagekeken omdat ik daar niet de -10 tot 0 tot +10 krijg op. Daar waren drie zeners kapot. Die heb ik vervangen. Ik meet nu in band 2 op meetpunt rH1wat je met R11 en R22 moet instellen ongeveer +1 tot +9,4V ipv 0 tot +10 en bij omschakelen naar band 1 moet dat -10V tot 0V worden en dan is het vast ongeveer +1V. Die spanning is de stuurspanning voor de VFO. Bij wobbelen loopt als alles goed is hij van 0 tot +10 in band 2 en van -10 tot 0 in band 1.
Band twee gaat het dus bijna goed maar band 1 niet. De diodes die defect waren zaten ook rond om die inverterende schakeling. Ik denk dat de opamp (tenminste ik denk dat het dat is) defect is. En als dat zo is zie ik het somber in gezien de soldeerbaarheid van de print. Als ik die oude eruit soldeer vallen de sporen eraf. Wat een ongeloofelijk verschil met een HP.

Alles is nu verder volgens mij goed alleen is er dus een "blok" rot en dat is net het blok wat zorgt voor maken van de stuurspanning en is de grootste en meest complexe print met iets van 10 instelpotmeters en het meeste dient volgens mij alleen om die teller aan te sturen. Het IC is ongeveer 1cm diameter, metaal rond met 4 groepjes van drie pootjes alsof het 4 torren in een huis zijn. Het nummer/naam is russisch en niet te typen. 140yAIE (de E is eigenlijk een hoofdletter E met erover de kleine b gedrukt zeg maar)

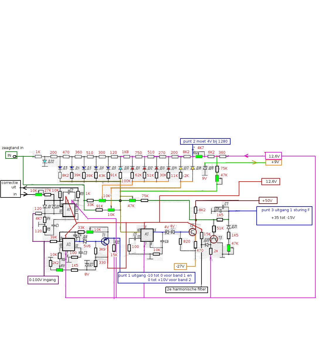
Schema bijgevoegd, zou het toeval zijn dat het op blz 13 staat :devilish:
Bijlagen
blz13bewerkt.jpeg
PA4TIM's opvangtehuis voor buizenbakken: Link
rbeckers
.
.
Berichten: 492
Lid geworden op: 10 mei 2008, 23:15

Re: Het grote wobbel/networkanalyzer topic

Ongelezen bericht door rbeckers »

Fred,

ik zie drie mogelijkheden:
-1 reparatie mbv soortgelijk IC
-2 aanpassen mbv hulpprintje
-3 print helemaal vervangen

Achtereenvolgens:
-1 Zonder verdere info is dat lastig.
-2 0-10V is met een opamp om te vormen naar -10-0V. extern printje/dead bug met opamp en twee, of vier, weerstanden en wat c's voor ontkoppeling. standaard inverter schakeling.
-3 denk bijv. aan de veel complexere sweepgenerator van de zelfbouw SA. Dit is mogelijk, kost alleen veel tijd.

Ik zou, in ieder geval als test/tijdelijke oplossing, voor methode 2 gaan. Is ong. 15min werk (R1=R2 bijv. 47k).
w1.JPG
w1.JPG (17.14 KiB) 475763 keer bekeken
René
Gebruikersavatar
fred101
.
.
Berichten: 878
Lid geworden op: 08 jun 2007, 08:08
Roepletters: PA4TIM
Locatie: Waardenburg
Contacteer:

Re: Het grote wobbel/networkanalyzer topic

Ongelezen bericht door fred101 »

Ik hen dit nog in elkaar gefrut. Dat is wat duidelijker .
Er is een kans dat T1 defect zou kunnen zijn. Ik heb de diode overgangen gemeten dat ging goed maar ik zie nu dat het pnp is.
Maar ik snap het schema niet helemaal. Die diodes zullen wel correctiespanningen maken die via A1 weer ergens heen gaan.
A2 maakt 0-10 of 0 tot +10 maar dat niet als zaagtand Ik denk dat dit de begin en eind frequentie insteld (dus de sweep breedte) .en A3 maakt de VCO spanning die echter volgens het boek van +35 tot -15 loopt (en dat ook op de scoop doet)
Er is 2x 12,6V als voeding getekend. In het schema beide als plus. Ik denk echter dat er een +12,6 en een -12,6V is. Dat past wel bij een opamp.
Er is een 0-100V ingang maar er is geen 100V voeding......
Er is bij T3 een uitgang naar het harmonsch filter, geen idee waarvoor.

Maar ik denk dat de conclusie toch moet zijn dat A2 of T1 defect is.

In dat geval ga ik voor jou idee 2
blz13schema.jpeg
PA4TIM's opvangtehuis voor buizenbakken: Link
rbeckers
.
.
Berichten: 492
Lid geworden op: 10 mei 2008, 23:15

Re: Het grote wobbel/networkanalyzer topic

Ongelezen bericht door rbeckers »

Fred,

het diode/weerstand netwerk wodt gebruikt om de VCO spanning te veranderen.
Een VCO heeft (of had :wink: ) geen mooi verband tussen ingangsspanning en frekwentie.
Deze print zorgt daarvoor.

Zoals de rest van deze wobbulator is ook dit chaotisch. :lol:

René
Gebruikersavatar
fred101
.
.
Berichten: 878
Lid geworden op: 08 jun 2007, 08:08
Roepletters: PA4TIM
Locatie: Waardenburg
Contacteer:

Re: Het grote wobbel/networkanalyzer topic

Ongelezen bericht door fred101 »

Ik ben een beetje de tijd vergeten maar eindelijk weer wat verder hoop ik. Na nog een rotte zener (is dat besmettelijk of zit er een zelfdestruct timer in) te hebben gevonden had ik weer 10V. Echter nog geen band 1. Toen de stuurspanningsprint er uit getrokken en op de connector gemeten of daar alles aanwezig was. Daar miste ik ook al een signaal voor band 1. Dat leidde me stapje voor stapje naar de voeding terug. Ik had +12,6V en -12,6V. alleen viel me op dat ik ineens ergens geen 12,6 had. Voor de zekerheid de voeding nagekeken en dat was OK tot ik een klein krom pennetje zag net uit het zicht waar +12,6V bij stond. Die zat op de zelfde print als de -12,6V maar er zijn dus 2 voedingsprinten met dezelfde spanningen. Hier zat een dikke pnp tor in...afijn zelfde ding als die voor 50V en deze was tripolair geworden. Hij was bloedheet en maakte niet uit hoe je hem teste. Hij was kortgesloten in alle mogelijke combinaties.

Dit is weer zo'n heel dikke jongen voor 12,6V bij 500mA. Hier gaat dus mooi een 7812/7912 combi in.met een diode onder de gnd aansluiting. Blijkbaar verzorgt deze alleen voor band 1 de 12,6V.

Het idd een rommelig ding. Zal blij zijn als hij weer werkt maar nog blijer als ik tegen ooit een HP SNA aanloop

Weltrusten

Fred
PA4TIM's opvangtehuis voor buizenbakken: Link
Plaats reactie